顶轴片-PA视讯五金科技(广东)有限公司
+
  • JU-CMP101.jpg
  • 44.jpg
  • 45.jpg
  • 46.jpg

顶轴片


JU-CMP101


是指一种用于支撑门的门顶轴,与地弹簧配套使用

所属分类:


关键词:

顶轴

产品附件:


产品询价

产品详情


产品参数

主要材质 304 不锈钢
表面处理 砂光 / 亮光
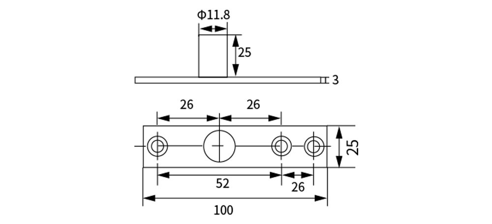
产品尺寸 25X100X3mm

产品视频

更新中...........

产品尺寸


上一页

下一页

上一页

下一页

相关产品


圆底地轴(轻型 100KG)


属于一种用于平开门的组件,它有地轴壳体,地轴壳体内安装有地轴,地轴上有凸出的圆形盘安装在地轴壳体内的压力轴承的上面,圆形盘外圆上分别间隔 90”角分布有四个凹槽,圆形盘两侧的地轴壳体内分别有横向的孔,孔内有球位于圆形盘的外侧,圆形盘外圆上的凹槽的形状与球的形状相对应,球外面有推块,推块外面有弹簧,弹簧外面有堵头安装在横向的孔上

方形地轴 (轻型 100KG)


属于一种用于平开门的组件,它有地轴壳体,地轴壳体内安装有地轴,地轴上有凸出的圆形盘安装在地轴壳体内的压力轴承的上面,圆形盘外圆上分别间隔 90”角分布有四个凹槽,圆形盘两侧的地轴壳体内分别有横向的孔,孔内有球位于圆形盘的外侧,圆形盘外圆上的凹槽的形状与球的形状相对应,球外面有推块,推块外面有弹簧,弹簧外面有堵头安装在横向的孔上

重型地轴(重型 250KG)


属于一种用于平开门的组件,它有地轴壳体,地轴壳体内安装有地轴,地轴上有凸出的圆形盘安装在地轴壳体内的压力轴承的上面,圆形盘外圆上分别间隔 90”角分布有四个凹槽,圆形盘两侧的地轴壳体内分别有横向的孔,孔内有球位于圆形盘的外侧,圆形盘外圆上的凹槽的形状与球的形状相对应,球外面有推块,推块外面有弹簧,弹簧外面有堵头安装在横向的孔上

隔断门轴


隔断门轴

隔断门轴


隔断门轴

非自动铰链


安装在门框上的基座,基座上铰接有承托支架,承托支架设有与门板顶端或低端链接的连接板,为了使连接更加稳固,连接板与地面水平

非自动铰链


安装在门框上的基座,基座上铰接有承托支架,承托支架设有与门板顶端或低端链接的连接板,为了使连接更加稳固,连接板与地面水平

非自动铰链


安装在门框上的基座,基座上铰接有承托支架,承托支架设有与门板顶端或低端链接的连接板,为了使连接更加稳固,连接板与地面水平

非自动铰链


安装在门框上的基座,基座上铰接有承托支架,承托支架设有与门板顶端或低端链接的连接板,为了使连接更加稳固,连接板与地面水平

产品询价


个人信息

产品配置

提交留言
PA视讯
网站地图